Specification
OD | DN25-DN2000 |
Pressure | SCH5-SCH160,XXS,10S,40S,80S |
Materials | Carbon steel, alloy steel, stainless steel, etc. |
Product Description

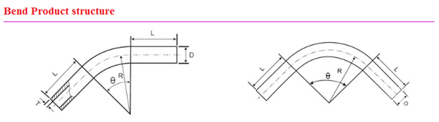
Bend Product Parameter table
ITEM | DESCRIPTION |
Standard | According to DL/T515《power station Bend》,SY 5257《steel Bend》,or customer's techincal drawings |
Material | Carbon steel, alloy steel, stainless steel |
Bend Radius R | R≥3D(R=3D、4D、5D、6D、7D、8D、9D、10D) D:outside diameter |
Bend Angle θ | Normally 15 °、30 °、45 °、60 °、90 °、135 °、180 ° or at customer's option |
Length of Straight L | Normally between 300mm and 1500mm in length fo straight, It is at customer's option |
Outside Diameter D | D≤1220mm |
Wall Thickness T | T≤120mm |
End Bevel | According to welding bevel of butt welding fitting |
Weight | Weight/kg=[0.0433(D-T)TRθ ] /100000+ L (Weight of Double Sides Straight Length) |
